Dodatna oprema za gradbene stroje nakup rabljenega (282)
Dodatna oprema za gradbene stroje nakup rabljenega (282)
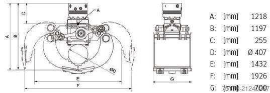
Burghaun Westtech G1650 ročni grablje s prijemnimi rokami / S70 / DEMO / 2024
WesttechG1650 Roderechen Greifarme / S70 / DEMO / 2024
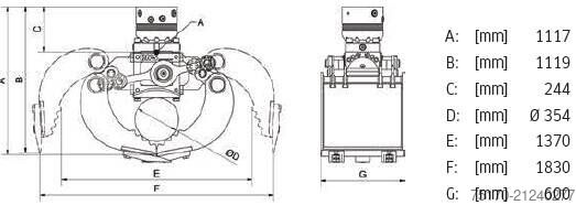
Burghaun Westtech Woodcracker fini grablje / čistilne grablje / NOVO
WesttechWoodcracker Feinrechen / Roderechen / NEU
Burghaun Enota za hitro menjavo
LiebherrSW48 Likufix Schnellwechsler / 2018
Burghaun Magni delovna košara / Košara za nego dreves / vrtljiva NOVO
MagniArbeitskorb / Baumpflegekorb / drehbar NEU
Burghaun Enota za hitro menjavo
LiebherrLikufix SW48 Adapterplatte NEU lagernd / WESTTECH
Odkrijte več rabljenih vozil
Burghaun Enota za hitro menjavo
LiebherrLikufix SW33 Adapterplatte / NEU lagernd WESTTECH
Burghaun Magni iztezni krak z vitlom JW2000 / RTH / TH / NOVO
MagniAusleger mit Seilwinde JW2000 / RTH / TH / NEU
Burghaun Magni vitlo / W 6 I / 6 t / RTH / TH / NOVO
MagniSeilwinde / W 6 I / 6 To / RTH / TH / NEU
Burghaun Magni Kavelj za dviganje tovora / H 6 I / 6 ton / RTH / TH / NOVO
MagniLasthaken / H 6 I / 6 To / RTH / TH / NEU
Burghaun Prijemalo
DMSSG18070 Grabgreifer Sortiergreifer / NEU / lagernd
Burghaun Prijemalo
DMSSG22090 inkl. Rotator Sortiergreifer / NEU OQ70/55
Burghaun Prijemalo
WesttechWoodgripper WG 1720 / RTW28 Rotator / NEU
Burghaun Prijemalo
DMSSG18070 inkl. Rotator Sortiergreifer NEU / lagernd
Burghaun Prijemalo
DMSSG12060 inkl. Rotator Sortiergreifer NEU / lagernd
Burghaun Prijemalo
DMSSG12060 Grabgreifer Sortiergreifer / NEU / lagernd
Burghaun Škarje
WesttechWoodcracker S200 / Wurzelstockschere / NEU
Burghaun Ročica bagra
RototiltUniversallöffel MS08 / 1.300 mm / NEU
Burghaun Ročica bagra
RototiltKabellöffel / Löffel 08-400 / MS08 / 400 mm / NEU
Röhrnbach Zob ripperja
Röhrnbach Škarje za odpadni kovinski material za bagre od 20 ton naprej.
Röhrnbach Rušilno kladivo
HaenerHX3000
Röhrnbach Rušilno kladivo
HaenerHX4000
Burghaun Westtech G1650 izravnalnik za panje / OQ70/55 / DEMO 2024
WesttechG1650 Roderechen / OQ70/55 / DEMO 2024
Burghaun Prijemalo
KinshoferGrabgreifer / Greifer / KM 604 - 350 / NEU lagernd
Burghaun 















































































































































































































































































































